• 产品概述

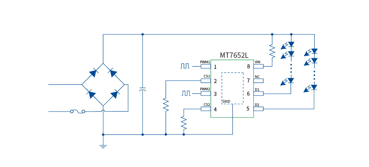
    MT7652L是高集成度的线性可调光LED恒流驱动芯片,主要作为各类调光光源及灯具的驱动。

    MT7652L外部无需磁性元件,LED驱动电路体积小、成本低,并符合EMI标准。

    MT7652L支持PWM调光信号,在芯片内部实现PWM信号与内部参考电平的转换,调光平滑无频闪。

    MT7652L内置线电压补偿功能,当输入线电压过高时,将自动减小输出电流,保证108Vac~132Vac范围内输入功率基本不随线电压变化。 MT7652L具有过温调节功能,当芯片温度过高时,自动降低输出电流,从而保证系统的可靠性。

  • 产品特性
    • 外围电路简单,驱动电路体积小、成本低

    • 支持PWM调光信号,内部转换为模拟调光,无频闪

    • 集成高压启动电路,超快LED启动

    • 内置300V高压MOS管

    • LED电流外部可设定

    • ±5%LED输出电流精度

    • 支持1%调光深度,0.1%的调光分辨率

    • 过温自动调节功能

    • 内置线电压补偿功能

    • 适用于120Vac线性调光应用

    • ESOP8封装

典型应用
  • 智能LED灯丝灯

  • 智能LED球泡灯

  • 其他智能LED照明,如红外、雷达、蓝牙、WiFi等应用的球泡灯、吸顶灯、投光灯等

  • 亚星yaxin222登录 dianlutu1400636pxMT7652L.jpg
亚星yaxin222登录