• 产品概述

    MT2205D是一款集成10mΩ/100V MOS的副边同步整流IC。它可以替代flyback转换器中的肖特基二极管,以实现更高的效率和更好的散热性能。

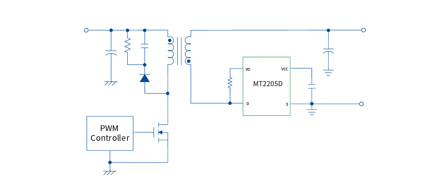
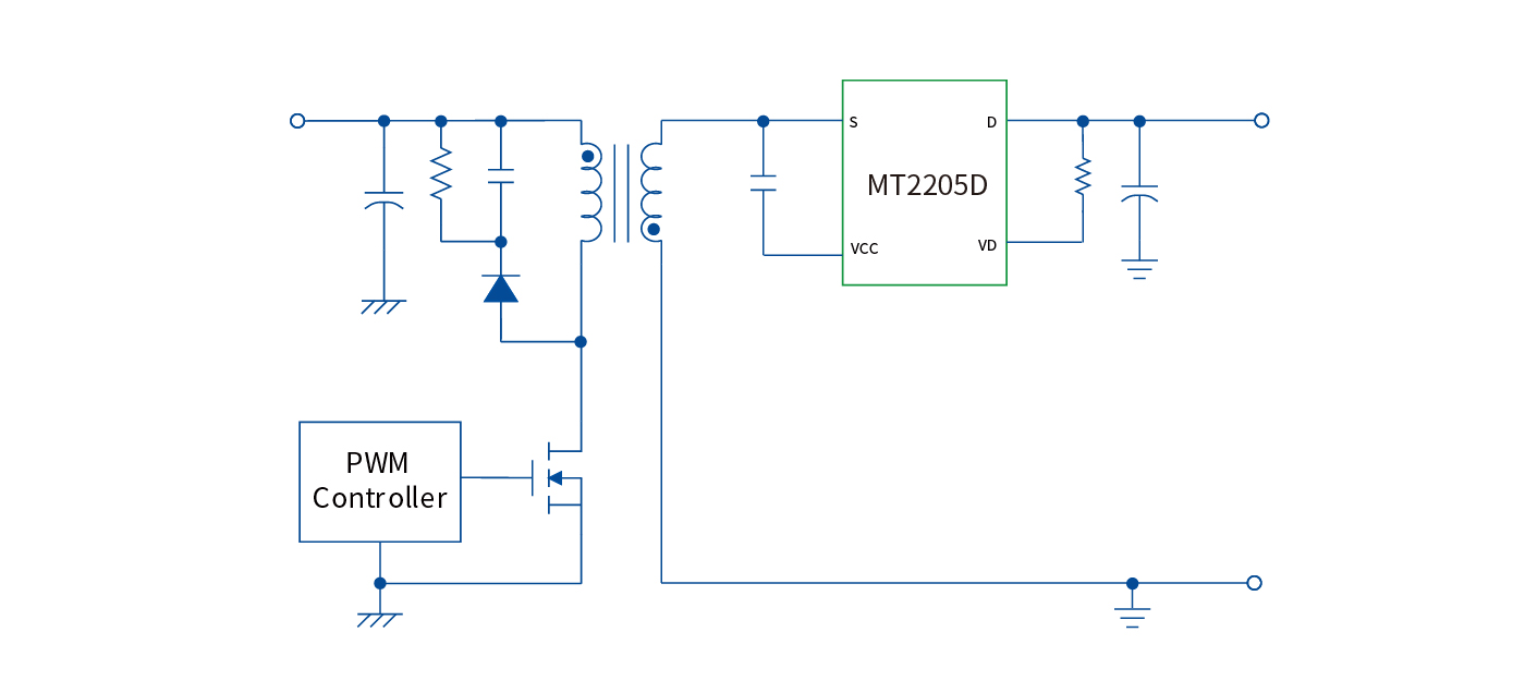
    MT2205D支持High Side和Low Side配置,可工作于断续导通模式(Discontinuous Conduction Mode,DCM)、连续导通模式(Continuous Conduction Mode,CCM)和准谐振模式(Quasi-Resonant Mode,QRM)。芯片内置供电电路,无需外加辅助绕组与供电电路,BOM成本低。

    当副边电流接近0时,MT2205D可以将内部MOS快速关断来防止和原边产生共通。独特的slew rate检测设计能保证在启动阶段不会因为震荡电压而导致芯片误导通。

  • 产品特性
    • 内置10mΩ/100V MOS

    • 精确控制MOS开关时机并防止MOS误导通

    • 内置供电电路,无需辅助绕组与供电电路

    • 支持CCM/DCM/QRM工作模式

    • 20ns快速关断延时

    • 支持High Side和Low Side配置

    • 优异的动态响应

    • SOP8封装

典型应用
  • 开关AC/DC适配器和电池充电器

  • 开放式开关电源

  • USB PD适配器

  • 亚星yaxin222登录 dianlutu1400636pxMT2205DHighSide.jpg
  • 亚星yaxin222登录 dianlutu1400636pxMT2205DLowSide.jpg
亚星yaxin222登录