• DESCRIPTION

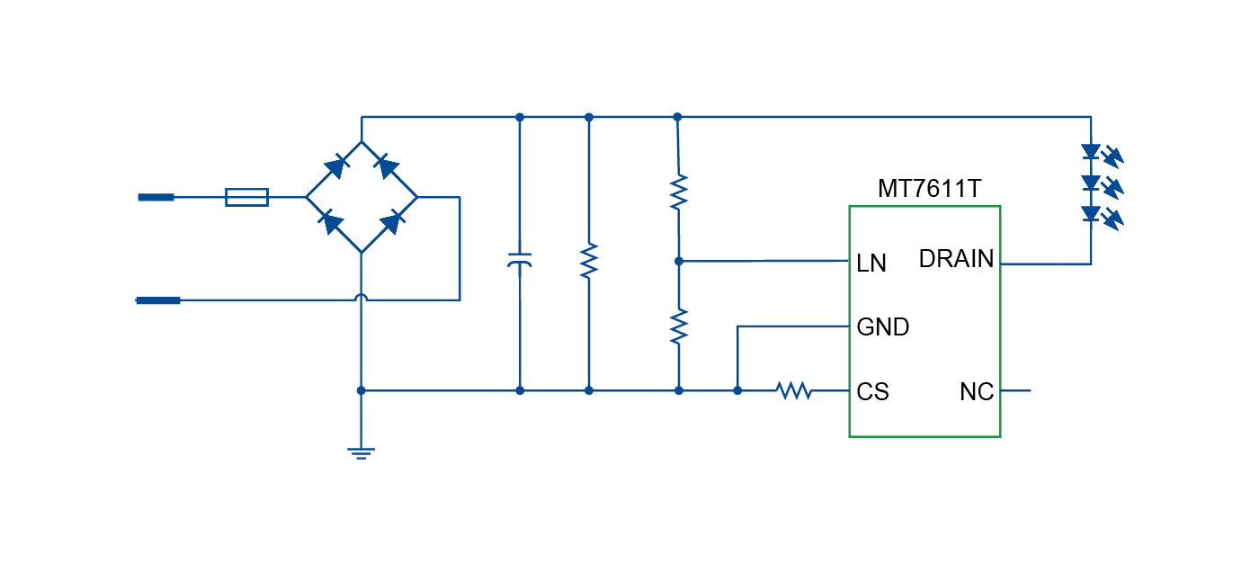
    MT7611T is a high current precision, single-stage, linear LED driver with no EMI issues. The output constant current is programmable by an external resistor.

    MT7611T integrates high-voltage power MOSFET and high voltage power supply circuit, which simplifies the peripheral circuit greatly. It can pass EMI test easily without inductor, transformer or other magnetic components, simple system structure and low BOM cost are achieved.

    MT7611T is designed with line voltage compensation function, which can keep the input power at a constant level. Moreover, MT7611T integrates thermal regulation function to balance the output power and the system temperature. The output current will be reduced when the junction temperature goes higher than the threshold, system reliability is guaranteed.

  • FEATURES
    • Few external components, low BOM cost

    • Integrated with 500V power MOSFET

    • LED current set by external resistor

    • Constant current precision: ±5%

    • External line voltage compensation, constant input power is achieved

    • No EMI issues

    • Embedded with thermal regulation function

    • Available in SOT89-5 package

APPLICATIONS
  • LED candle, Filament lamp

  • LED fluorescent, panel light

  • LED Bulb, Projection lamp

  • Other compact LED lightings

  • 亚星yaxin222登录 qudongxinpianxianxingqudongxilie1400636pxMT7611T.jpg
亚星yaxin222登录