• DESCRIPTION
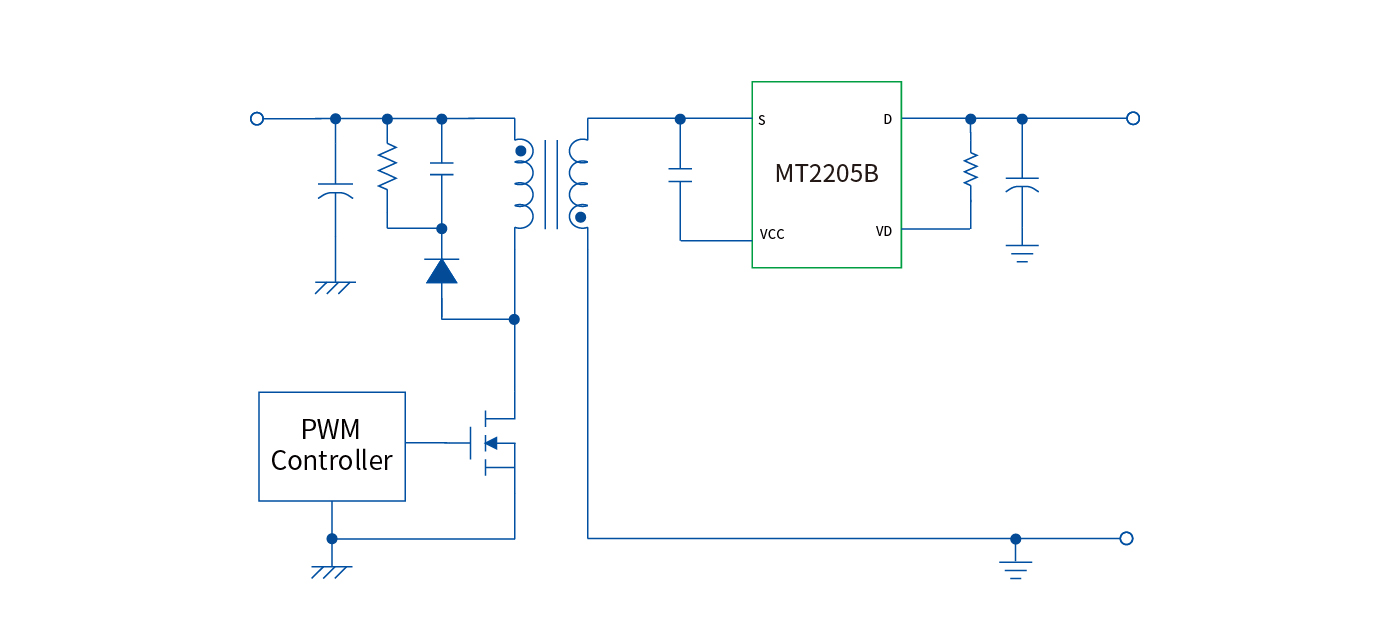
    • MT2205B is a secondary side SR controller which integrates 10mΩ/60V MOSFET for synchronous rectification. It can replace Schottky diodes in flyback converters for higher efficiency and better heat dissipation.

    • MT2205B supports both high-side and low-side rectifications and operates under Discontinuous Conduction Mode (DCM), Continuous Conduction Mode (CCM), and Quasi-Resonant Mode (QRM).

    • When the secondary side current is close to zero, MT2205B can quickly turn off the internal MOSFET to prevent sharing with the primary side. The unique slew rate detection circuit can prevent the chip from falsely turning on during DCM or quasi resonant operations.

    • With built-in power supply circuit, no additional auxiliary winding and power supply circuit are required, and low BOM cost is achieved.

  • FEATURES
    • Integrates 10mΩ/60V MOSFET

    • Precisely controls MOSFET switching time and prevents MOSFET false turn on

    • Built-in power supply circuit, no additional auxiliary winding and power supply circuit are required 

    • Operates under CCM/DCM/QRM

    • 20ns fast turn-off delay

    • Supports high/low-side rectification

    • Excellent dynamic response

    • Available in SOP8 package

APPLICATIONS
  • Switching AC/DC Adaptor and Battery Charger

  • Open Frame Switching Power Supply

  • USB PD Adaptors

  • 亚星yaxin222登录 dianlutu1400636pxMT2205BHighSide.jpg
  • 亚星yaxin222登录 dianlutu1400636pxMT2205BLowSide.jpg
亚星yaxin222登录