
电子技术的发展赋予智能终端日趋多元的功能和应用场景,但也使其耗电量攀升,而电池技术的缓慢发展制约了智能终端的续航能力。行业通过发展和普及快充技术缩短充电时间,变相提升了续航能力。目前,从手机到平板电脑、笔记本电脑、显示器等智能终端都纷纷采用快充技术,此举大大提升了用户体验。
美芯晟推出的高集成、高效率、从原边控制器、副边同步整流到快充协议芯片的20W~65W的整体解决方案,可满足终端用户对高性能、高性价比等方面的需求。

产品介绍

SSR控制器(驱动Si MOS)

SSR控制器(驱动GaN功率管)


同步整流(SR)控制器MT2200系列,可用于high side也可用于low side,可支持的原边最高工作频率在200KHz以上,并支持QR和CCM等多种工作模式,满足现有常见快充应用。
MT2200可输出3.3V~21V,满足USB PPS宽电压输出要求。MT2205内置Si MOS,利于小型化设计。


美芯晟开发的快充协议芯片包括MT2701和最新的MT280X系列,芯片兼容多种快充协议。MT2701支持65W以内应用,兼容PD3.0,PPS,QC2,QC3,AFC,FCP,私有协议低压直充5V4.5A,Apple 5V2.4A,BC1.2等常用协议。MT2701采用纯硬件架构,通过外部元件来调节输出功率段,应用简单,BOM成本低,适合不需要USB-IF认证的客户。

即将推出的MT280X系列芯片集成可编程MCU,可根据客户需要进行灵活的二次软件开发,满足高通或USB-IF认证需求。
方案应用
美芯晟提供65W以内分离式和合封式的多种快充整体解决方案,客户使用整体解决方案可加快项目开发进度,灵活选取,应用更加多元化。
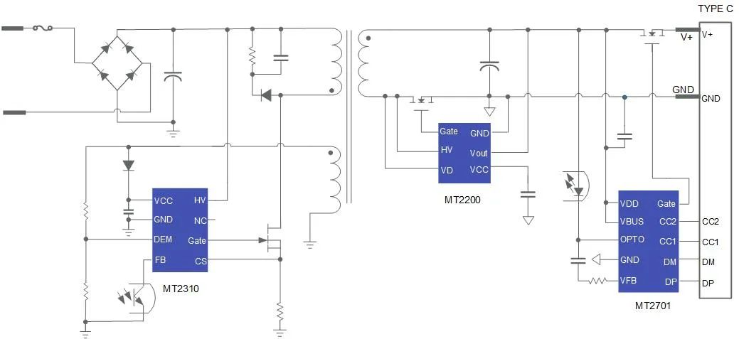
65W以内分离式整体方案

65W以内分离式整体方案典型应用如上图所示。SSR控制器方面,客户可根据需求使用驱动Si MOS的MT2300或使用驱动GaN功率管的MT2310。同步整流(SR)控制器使用支持宽电压输出、应用范围广的MT2200。快充协议芯片则是兼容多种协议的MT2701。分离式方案可让客户发挥自身Si MOS或GaN功率管供应链优势来选择合适的器件。
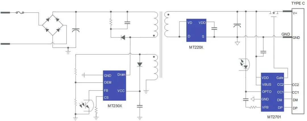
65W以内合封 Si MOS/GaN功率管整体方案

65W以内合封 Si MOS/GaN功率管整体方案典型应用如上图所示。配套使用的快充协议芯片是兼容多协议的MT2701,合封式方案利于客户将产品小型化。
美芯晟快充整体方案既可驱动传统Si MOS,也可驱动第三代半导体氮化镓(GaN)功率器件,以丰富的产品线满足多样化、个性化的市场需求,可用于手机、笔记本电脑等便携设备和小家电、机顶盒、LCD屏幕等产品。同时,美芯晟对有线快充芯片进行持续迭代,进一步减少外围元器件,使整机产品更加小型化、轻量化。